EN 首頁 產品展示 功率器件 MOS場效應管 IGBT 可控硅 碳化硅器件 功率電子開關 二極管三極管 二極管 晶體管 電源管理 柵極驅動IC 隔離式柵極驅動器 電機驅動芯片 線性穩壓器LDO DC-DC電源芯片 電池管理 AC-DC控制器和穩壓器 專業電源管理PMIC LED驅動 監控和復位芯片 數據轉換器 模數轉換器(ADC) V/F和F/V轉換芯片 傳感器 環境光傳感器 電流傳感器 光纖/激光傳感器 霍爾傳感器 溫度傳感器 光電器件 光耦 光電二極管 放大器及基準芯片 通用運算放大器 精密運放及低噪音運放 比較器 音頻功率放大器 電壓基準芯片 RF放大器 接口芯片 RS232芯片 MESE硅麥 視頻接口芯片 RS485芯片 CAN芯片 其他 達林頓晶體管陣列 晶振 時鐘芯片 存儲器芯片 邏輯門 定時器芯片 觸摸屏控制器 觸發器 反相器 緩沖器和驅動器 小規模邏輯芯片 我們的產品 瀏覽我們所有的產品 功率器件 二極管三極管 電源管理 數據轉換器 傳感器 光電器件 放大器及基準芯片 接口芯片 其他 資訊中心 每日芯聞 公司動態 行業新聞 芯師爺 ittbank 半導體行業綜研 電子資訊 老虎說芯 芯智訊 電子創新網 代理商展播 電子百科 三八八問 其他 資訊中心 每日芯聞 公司動態 行業新聞 電子資訊 代理商展播 電子百科 三八八問 其他 專家專欄 周祖成 朱貽瑋 宋仕強 王志華 王金桃 其他專家 專家專欄 周祖成 朱貽瑋 宋仕強 王志華 王金桃 其他專家 行業應用 技術交流 印寧華 硬禾學堂 應用案例 其他 汽車 *駕駛輔助系統(ADAS) 傳統動力總成 車身控制和照明 電氣化(xEV動力總成) 集中式架構 信息娛樂和遠程信息處理 底盤與安全 工業電力 工業電源(PSU) 48/12 V DC/DC轉換(電信/服務器) 電動自行車 5G宏/微電池電源 通信基礎設施的熱插拔 供電設備/以太網供電 移動和可穿戴應用 智能手表/健身跟蹤器 耳塞 GPS跟蹤器 智能手表/健身跟蹤器 智能手機 USB-Type-C AC/DC壁式充電器 有線和無線快速充電 計算和消費電子 電動自行車 固態驅動器(SSD) 刀片服務器的熱插拔 無人機(UAV) 子系統 天線保護(NFC / 藍牙) 恒定電流源 USB4連接和兼容性 電池供電式電機控制驅動(25-100 V) 電磁閥驅動器 異步降壓直流/直流轉換器 參考設計 H橋電機控制器電源電路 分立器件H橋電機控制器 行業應用 技術交流 汽車 工業電力 移動和可穿戴應用 計算和消費電子 子系統 參考設計 關于我們 關于我們 產品問答 申請樣品 用戶協議 隱私政策 關于我們 關于我們 產品問答 申請樣品 用戶協議 隱私政策 聯系我們 招賢納士 銷售網絡
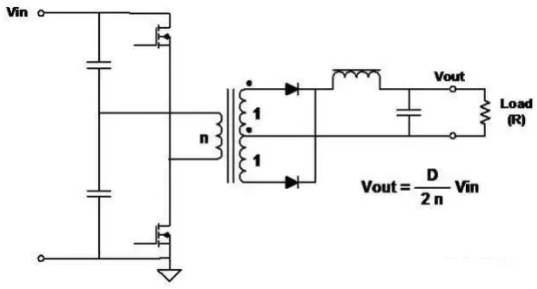
薩科微開關電源拓撲結構圖基礎型介紹(5) 其他|other else| 2022-03-17 09:23:58 11 上一篇: 為什么MOS管容易發熱? 下一篇: 薩科微關于基礎型開關電源拓撲結構圖的介紹(4)